硅铁
稀土
多元
包芯线
金属镁
钴锂
多晶硅光伏
焦炭
废钢

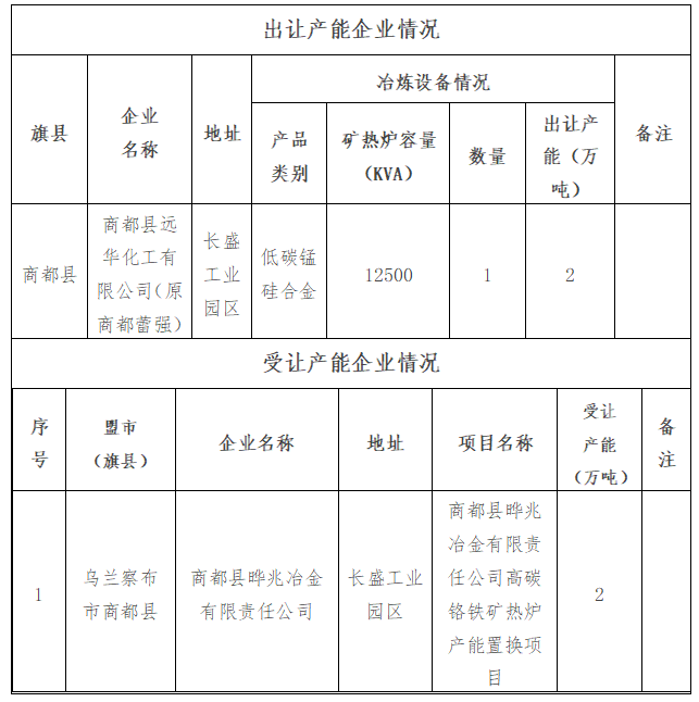
乌兰察布市商都县远华化工(原商都蕾强)铁合金产能出让公示

内容概述按照内蒙古自治区发展改革委工信厅能源局《关于确保完成“十四五”能耗双控目...

按照内蒙古自治区发展改革委工信厅能源局《关于确保完成“十四五”能耗双控目标任务若干保障措施的通知》(内发改环资字〔2021〕209号)、内蒙古自治区发展改革委工信厅能源局关于修订《确保完成“十四五”能耗双控目标任务若干保障措施的通知》(内发改环资字〔2022〕1128号)、内蒙古自治区发展改革委生态环境厅关于印发《内蒙古自治区坚决遏制“两高”项目低水平盲目发展管控目录》的通知(内发改环资字〔2022〕1127号)和乌兰察布市工信局关于印发《乌兰察布市铁合金行业产能置换实施方案(试行)的通知》(乌工信发〔2022〕59号)的相关要求,现将商都县远华化工有限公司铁合金产能出让情况予以公示,公示期自公示之日起5个工作日。如有异议,可通过来访、来函、来电等形式向我局反映。

监督电话:0474-8321634

202302281333024931.png

2023年2月28日

免责声明: 凡网站注明非来源于铁合金在线的文字、图片、图表、音频、视频等作品均转载自其他第三方平台,转载目的在于传递更多信息,并不意味着赞同其观点或证实其内容的真实性。如其他媒体、网站或个人转载使用,必须保留注明的“信息来源”,并自行承担法律责任。如因版权或其它事宜需要同铁合金在线联系,请30个工作日内致电400-677-6667。

客服咨询

客服

铁合金在线官方微信

微信

铁合金在线官方微信

使用微信扫描二维码

立即咨询所需业务

会员服务

会员服务

投诉及合作

投诉及合作

技术支持

技术支持

公众号

铁合金在线APP下载

APP

电话咨询

电话

法律咨询

法律咨询

回到顶部