硅铁
稀土
多元
包芯线
金属镁
钴锂
多晶硅光伏
焦炭
废钢

工信部公示多项涂料行业标准

2014年06月27日 11:35 来源: 铁合金在线

所属系别

钛白粉

内容概述 月日,工信部报批公示项行业标准,包含化工、冶金、有色、建材、黄金、稀土等行业标准的制修订,公示...

6月18日,工信部报批公示278项行业标准,包含化工、冶金、有色、建材、黄金、稀土等行业标准的制修订,公示截止日期为2014年7月3日。

其中,涉及涂料行业的标准有《聚甲基丙烯酸甲酯(PMMA)防水涂料》、《喷涂聚脲用底涂和腻子》、《脂肪族聚氨酯耐候防水涂料》、《喷涂聚脲用层间处理剂》等标准。这些标准对标志、包装、运输与贮存进行了规范。

JC/T 2251-2014《聚甲基丙烯酸甲酯(PMMA)防水涂料》

标准要求PMMA防水涂料的基本性能应符合下表要求:

标准要求PMMA防水涂料的耐久性能应符合下表要求:

PMMA防水涂料的特殊性能应符合下表要求(根据供需双方商定选用):

JC/T 2252-2014《喷涂聚脲用底涂和腻子》

标准要求喷涂聚脲用底涂和腻子的物理力学性能应符合下表要求:

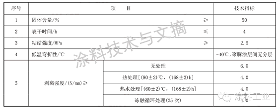
3JC/T 2253-2014《脂肪族聚氨酯耐候防水涂料》

标准要求脂肪族聚氨酯耐候防水涂料的基本性能应符合下表要求:

标准要求脂肪族聚氨酯耐候防水涂料的应用能应符合下表要求(根据供需双方商定选用):

JC/T 2254-2014《喷涂聚脲用层间处理剂》

标准要求喷涂聚脲用层间处理剂的物理力学性能应符合下表要求:

(本站声明:凡本网转载自其它媒体的文章,目的在于传递更多信息,并不代表本网赞同其观点和对其真实性负责。来源:涂料技术与文摘)

客服咨询

客服

铁合金在线官方微信

微信

铁合金在线官方微信

使用微信扫描二维码

立即咨询所需业务

会员服务

会员服务

投诉及合作

投诉及合作

技术支持

技术支持

公众号

铁合金在线APP下载

APP

电话咨询

电话

法律咨询

法律咨询

回到顶部