硅铁
稀土
多元
包芯线
金属镁
钴锂
多晶硅光伏
焦炭
废钢

储能变流器原理与快速选型

内容概述储能变流器广泛应用于电力系统、轨道交通、军工、石油机械、新能源汽车、风力发电、太阳能光伏等领域,...

储能变流器广泛应用于电力系统、轨道交通、军工、石油机械、新能源汽车、风力发电、太阳能光伏等领域,在电网削峰填谷、平滑新能源波动,能量回收利用等场合实现能量双向流动,对电网电压频率主动支撑,提高供电电能质量。本文将带你解锁快速选型储能变流器技能。

一储能变流器的定义

电池储能作为大规模储能系统的重要形式之一,具有调峰、填谷、调频、调相、事故备用等多种用途。与常规电源相比,大规模储能电站能够适应负荷的快速变化,对提高电力系统安全稳定运行水平、电网供电质量和可靠性起到了重要作用,同时还可以优化电源结构,实现绿色环保,达到电力系统的总体节能降耗,提高总体的经济效益。

储能变流器(Power Conversion System,简称PCS)电化学储能系统中,连接于电池系统与电网(和/或负荷)之间的实现电能双向转换的装置,可控制蓄电池的充电和放电过程,进行交直流的变换,在无电网情况下可以直接为交流负荷供电。

PCS由DC/AC双向变流器、控制单元等构成。PCS控制器通过通讯接收后台控制指令,根据功率指令的符号及大小控制变流器对电池进行充电或放电,实现对电网有功功率及无功功率的调节。同时PCS可通过CAN接口与BMS通讯、干接点传输等方式,获取电池组状态信息,可实现对电池的保护性充放电,确保电池运行安全。

二执行标准

《储能变流器检测技术规程》

《电池储能系统储能变流器技术规范》

GB/T 14549电能质量公用电网谐波

GB/T 15543电能质量三相电压不平衡

GB/T 15945电能质量电力系统频率偏差

GB/T 12325电能质量供电电压偏差

三产品介绍

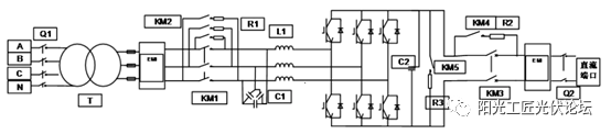
3.1工作原理

储能双向变流器(PCS)是交/直流侧可控的四象限运行的变流装置,实现对电能的交直流双向转换。PCS可以实现电池储能系统直流电池与交流电网之间的双向能量传递,通过控制策略实现对电池系统的充放电管理、对网侧负荷功率的跟踪、对电池储能系统充放电功率的控制、对离网运行方式下网侧电压的控制等。

202310160832208076.png

3.2功能特点

储能变流器的主要功能是并网条件下,储能系统根据微网监控指令进行恒功率或恒流控制,给电池充电或放电,同时平滑风电、太阳能等波动性电源的输出;微网条件下,储能系统作为主电源提供微网的电压和频率支撑(V/F控制),微网中负荷以此电压和频率为基准工作。PCS采用双闭环控制和SPWM脉冲调制方法,能够精确快速地调节输出电压、频率、有功和无功功率。

202310160832204062.png

图2:储能变流器外观示意图

3.3基本控制功能

并网恒功率充、放电控制

并网恒压限流充电

离网V/F控制

无功调节控制

并网-离网平滑切换控制

防孤岛保护功能及孤岛检测进行模式切换功能故障穿越控制功能

3.4基本保护功能

电池极性反接保护

直流过压保护

直流过流保护

网侧过/欠压保护

网侧过流保护

网侧过/欠频保护

IGBT模块过流保护

IGBT模块过温保护

变压器/电抗器过温保护

防雷保护

非计划性孤岛保护

3.5产品优势

独特的模式切换平滑控制技术,保证并网-离网两种模式相互切换无冲击,确保变流器可靠运行。保证变流器并网时按要求增减有功功率、无功功率;独立运行时稳定负荷电压、频率率。

充电、放电一体化设计,实现交流系统和直流系统的能量双向流动;

高效的矢量控制算法,实现有功、无功的解耦控制;

功率因数任意可调,在容量范围内可以全发无功,实现无功补偿;

在MEMS(微网能量管理系统)的调度下,主动参与电网的调峰,有效缓解大电网的压力;

支持并网运行、离网运行;并可以实现并网与离网的平滑无缝切换;

支持微网运行,可为微网提供稳定的电压和频率支撑;

主动式与被动式孤岛检测方法相结合,满足UL1741标准;

完善的继电保护功能,有效防止逆变器的异常损坏;

支持多种储能电池,不同的型号仅控制器的软件不同;

提供CAN、485,可与电池管理系统(BMS)、上层监控系统进行通讯;

多台PCS可实现多机并联运行;

支持交流侧短时短路运行模式;

支持自同期功能;

高可靠性机柜设计,满足不同运行区域需要;

主功率回路采用高可靠性功率模块;

四主要技术参数表

表1.技术参数

202310160832201520.png

五应用场合

储能变流器广泛应用于电力系统、轨道交通、军工、石油机械、新能源汽车、风力发电、太阳能光伏等领域,在电网削峰填谷、平滑新能源波动,能量回收利用等场合实现能量双向流动,对电网电压频率主动支撑,提高供电电能质量。

202310160832212776.png

图3储能平滑光伏波动

202310160832214533.png

图4储能削峰填谷(利用峰谷电价错峰用电)

202310160832211991.png

图5储能参与电网调频

可用于风能、太阳能等分布式发电系统中,保证分布式电源供电的均衡性和连续性,有效地改善其电能输出质量,提高接入电网的能力。

可用于电力系统稳定中,可以通过快速的电能存储来响应负荷的波动,吸收多余的能量或补充缺额的能量,实现大功率的动态调节,很好地适应频率调节和电压功率因数的校正,从而提高系统运行的稳定性。

可作为应急电源,在大电网或其他电源掉电期间向用户提供电能,提高供电的可靠性。

可用于电网削峰填谷,可以缓解用户侧的供需矛盾,减少发电设备的投资,提高电力设备的使用率,减小线路损耗。

可用于微网中,作为主电源,提供微网的电压和频率支撑,使风电和光伏在微网中出力,给区域性负荷供电。

可用于各种类型的储能元件,实现储能与电网的柔性接口,能满足独立或并网运行的要求。

六快速选型计算方法

储能变流器配置一般根据微网内实际负荷及分布式发电能源容量来定。负荷分为重要性负荷(机房、办公、监控等负荷)、非重要性负荷(空调、照明、锅炉、门岗等负荷),负荷数据一般需要现场测量,一般测量工作日、节假日的分时数据,并节选四季典型时间的数据综合分析。

6.1储能变流器容量匹配

储能容量配置按负荷容量的1.2倍配置,如重要性负荷达200kW,则建议配置250kW的储能变流器。其它负荷如需离网运行,则相应增加储能功率配比。

6.2储能变流器变压器变比

储能变流器变压器变比由直流电压输入范围而定(即电池电压范围),计算方法如下:变压器变比=Ul(电池最低电压)/1.414。如选用铁锂电池的电压范围为360~480VDC,360/1.414=254,变压器变比即可确定为200。

如选用的不带变压器的配置,则电池最低电压需达到540V以上才可以接入400V电网。

6.3储能变流器附加功能配置

自同期功能(S):储能变流器无需其它装置可实现无缝并离网切换,在并网开关可以远程控制的前提下,储能变流器由并网转离网运行时发出指令使并网开关分闸,由离网转并网运行时发出指令使并网开关合闸(合闸条件由变流器判断,不可人为合闸);

超级电容充电机功能(C):储能变流器在接超级电容产品时,可以由0电压开始为超级电容充电,并在超级电容电压达到运行电压时进行充放电,取代传统充电机作用。

免责声明: 凡网站注明非来源于铁合金在线的文字、图片、图表、音频、视频等作品均转载自其他第三方平台,转载目的在于传递更多信息,并不意味着赞同其观点或证实其内容的真实性。如其他媒体、网站或个人转载使用,必须保留注明的“信息来源”,并自行承担法律责任。如因版权或其它事宜需要同铁合金在线联系,请30个工作日内致电400-677-6667。

客服咨询

客服

铁合金在线官方微信

微信

铁合金在线官方微信

使用微信扫描二维码

立即咨询所需业务

会员服务

会员服务

投诉及合作

投诉及合作

技术支持

技术支持

公众号

铁合金在线APP下载

APP

电话咨询

电话

法律咨询

法律咨询

回到顶部